Product Summary
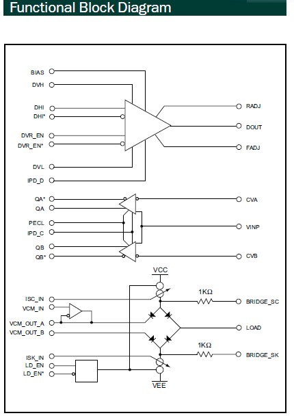
The E710AHF is a totally monolithic ATE pin electronics solution manufactured in a high-performance complementary bipolar process. In Automatic Test Equipment (ATE) applications, the E710AHF incorporates a driver, a load, and a window comparator suitable for very fast bidirectional channels in VLSI, Mixed-Signal, and Memory test systems.
Parametrics
Absolute maximum ratings: (1)VCC (relative to GND), VCC: 0v min, 16.5 V max; (2)VEE (relative to GND), VEE: -10 to 0 V; (3)Total Power Supply, VCC - VEE: 21.0 V max; (4)Digital Input Voltages, DHI(*), DVR_EN(*), LD_EN(*): VEE to +7.0 V; (5)Analog Input Voltages, CVA, CVB, DVH, DVL, VCM_IN: VEE to VCC V; (6)Analog Input Currents, ISC_IN, ISK_IN: 0 to 3.0 mA; (7)Digital Output Currents, QA/QA*, QB/QB*: 0 to 50 mA; (8)Driver Output Current, Iout: -40 to +40 mA; (9)Driver Swing, DVH - DVL: 0 to 13 V; (10)Comparator Input Voltage, CVA(B) - VINP: -13 to +13 V; (11)Ambient Operating Temperature, TA: -50 to +125 oC; (12)Storage Temperature, TS: -65 to +150 oC; (13)Junction Temperature, TJ: +150 oC max; (14)Soldering Temperature(5 seconds, .25" from the pin),TSOL: +260 oC max.
Features
Features: (1)Fully Integrated Three-Statable Driver, Window Comparator, and Dynamic Active Load; (2)12V Driver, Load, Compare Range; (3)13V Super Voltage Capable; (4)± 35 mA Programmable Load; (5)Comparator Input Tracking >6V/ns; (6)Leakage (L+D+C) < 1 μA (normal mode); (7)Leakage (L+D+C) < 25 nA (IPD mode); (8)Small footprint (52 pin MQFP).
Diagrams

| Image | Part No | Mfg | Description | ![]() |
Pricing (USD) |
Quantity | ||||
|---|---|---|---|---|---|---|---|---|---|---|
![]() |
![]() E710AHF |
![]() Other |
![]() |
![]() Data Sheet |
![]() Negotiable |
|
||||
| Image | Part No | Mfg | Description | ![]() |
Pricing (USD) |
Quantity | ||||
![]() |
![]() E710AHF |
![]() Other |
![]() |
![]() Data Sheet |
![]() Negotiable |
|
||||
(China (Mainland))









